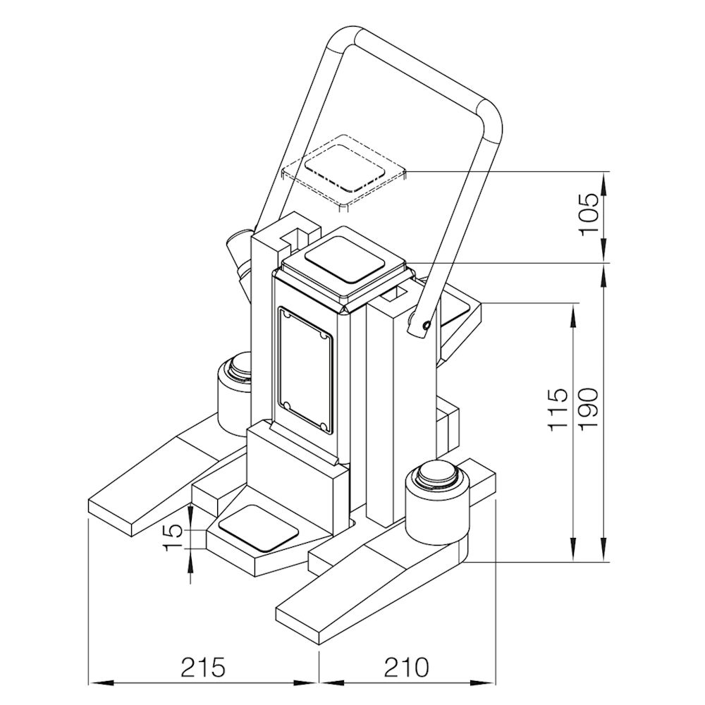
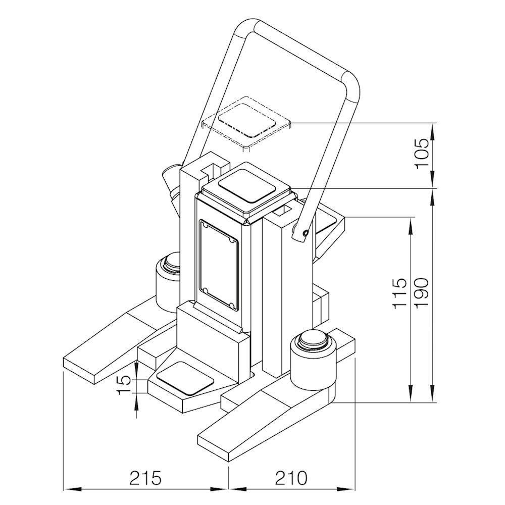
V5K-EX Risszeichnung

Diese V5K-EX Risszeichnung dient nur der allgemeinen Veranschaulichung. Für Details wenden Sie sich bitte direkt an uns. Vielen Dank!